股票代码
300066
三川简介
企业宣传
三川战略
组织机构
三川智慧5G数智工厂简介
荣誉资质
三川风采
线上展厅
1XBET平台新闻
行业资讯
NB-IoT物联网水表
无线远传水表
干式直读远传水表
非接触IC卡水表
机械水表系列
电磁水表
超声波水表
无负压设备
智慧水务
国际营销网络
服务宗旨
水表知识
1XBET平台公告
沟通平台
股票行情
人才战略
联系1XBET网页版
为人类科学用水、健康饮水而努力!
紧紧围绕着水做文章
推动全民健康用水新时代!
不忘初心,永续经营!
股票代码:300066
创新源于好奇,梦想成就未来!
功能说明:
主要技术参数:
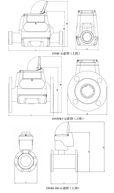
外形尺寸及安装示意图: